GKYWG-59LED磁敏雙色光柱磁翻板液位計由磁性浮子傳感器和LED顯示屏兩部分組成,利用浮力原理和磁耦合作用,通過LED顯示屏的紅綠變化來檢測所測液位的高低。磁敏液位計在煙塵大含有微細鐵屑的環境中具有可靠的使用性,顯示部位采用高亮度LED雙色發光管,白天觀察距離60m,夜間可達200m以上,顯示亮度高,可視距離遠。液位計可以選裝液位變送器、液位開關實現信號遠傳功能,已廣泛應用于石油、化工、電力、冶金、食品、制造、造紙、水處理等行業的液位測量與過程控制中。
LED磁敏雙色光柱磁翻板液位計(磁敏液位儀)分類:
經濟型磁敏液位計
高精度型磁敏液位計
高壓型磁敏液位計
(4-20MA信號)磁敏液位計
總線485型磁敏液位計
可選供電型磁敏液位計
雙供電型磁敏液位計
二、LED磁敏雙色光柱磁翻板液位計工作原理
磁敏液位計根據浮力原理和磁性耦合作用原理工作。磁性浮子根據介質的比重設計,使浮子內磁鋼與容器內液面高度 致。當儲罐內液位發生變化時,會使浮子隨液位移動。浮子的移動將液位變化通過磁耦合原理傳遞到現場顯示盒內高精度電子感應元件,觸發相應的數字電路,使LED雙色發光管轉換顏色,無液全紅,滿液全綠,紅綠交界處就是容器內的實際液位,從而達到指示儲罐內液位的目的。加裝限位開關實現液位報警和控制,加裝變送器實現數字信號輸出供顯示與控制。
三、產品特點
○汽紅液綠,顯示清晰,觀察角度大,可視距離遠,在光線暗的場所中應用,夜間觀察醒目
○設計簡單緊湊;堅固可靠;使用壽命長;無維護工作量;能長年在戶內;外安裝使用;
○顯示裝置與容器內的介質不接觸,無泄露
○可選裝液位變送器活液位開關
○可用于有毒、腐蝕、易燃易爆等危險場所
○安全、美觀、防護等 高
○測量穩定性高
四、安裝形式
磁敏液位計有兩種安裝形式滿足用戶需求,包括:頂裝式、側裝式。


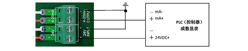
五、電氣連接

六、主要技術參數
○測量范圍: 0-6000mm范圍內任意選擇
超過6000mm時,連接段采用法蘭連接;
○輸出信號:4-20mA DC
○工作溫度: -50--400℃;
○主導管、浮子材質: 304、PTFE/304外襯PTFE、鋁、鈦或按用戶要求;
○連接法蘭:DN15~DN50(HG20592-97法蘭標準)
○法蘭材質:碳鋼、304、316L
○電源電壓:DC24V,AC36V,AC220V;
○精確度:≥10mm;
○工作壓力:-0.1~10 MPa;
○防護等 :IP67
○防爆形式:隔爆型Ex dⅡCT3~T6、本安型Ex iaⅡC T3~T6
磁敏液位計選型表
|
GKYWG-59 |
基本類型 |
|||||||
|---|---|---|---|---|---|---|---|---|
|
|
P |
普通型 |
||||||
|
T |
防腐型 |
|||||||
|
B |
防爆型(Bd為隔爆型、Bi為本安型) |
|||||||
|
|
代碼 |
線制 |
||||||
|
0 |
二線制 |
|||||||
|
1 |
四線制 |
|||||||
|
|
代碼 |
主體材質 |
||||||
|
0 |
304 |
|||||||
|
1 |
316 |
|||||||
|
2 |
316L |
|||||||
|
3 |
PVC/UPVC |
|||||||
|
4 |
316L+PTFE |
|||||||
|
5 |
316L+PE |
|||||||
|
6 |
其他 |
|||||||
|
|
代碼 |
量程 |
||||||
|
S |
單位mm |
|||||||
|
|
代碼 |
安裝方式 |
||||||
|
LM |
頂裝式 |
|||||||
|
FL |
側裝式 |
|||||||
|
|
代碼 |
區域 |
||||||
|
A |
內銷 |
|||||||
|
B |
外銷 |
|||||||
|
|
代碼 |
姓名 |
||||||
|
XXX |
縮寫 |
|||||||
|
GKYWG-59 |
P |
0 |
0 |
10 |
FL |
A |
XL |
請完整填寫 |
如上表實例:GKYWG-59/P0010FLAXL,P代表普通型, 個0代表二線制, 二個0代表304材質,1代表10m量程,FL代表法蘭安裝,7m代表罐高,A代表內銷,XL代表徐亮的訂單。
訂貨須知:為了方便用戶選型,請按產品選型表正確填寫內容,以便為您提供正確型號

